Všemožná udělátka k všemožným účelům

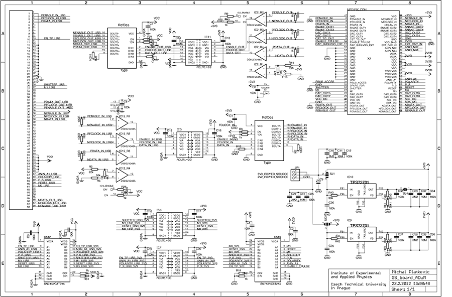
Galvanic separator

Galvanic separation module between Timepix detector and USB interface for suppression of the electromagnetic noise – based on ADuM1400 digital isolators.

PCB schematic / PCB layout design / hand soldering

separator
separator
separator
separator

Vývoj

PCB design: Eagle

Hlavní součástky

Digital Isolator: Analog Devices ADuM1400

Prezentace

IWORID 2011 - 13th International Workshop on Radiation Imaging Detectors, Zurich
3. 7. 2011 - 7. 7. 2011
Analog signal from common electrode of pixelated detector for triggering and spectroscopy
Poster

Experimenty

Back side puls
Analogue signal from common electrode of pixelated detector for triggering and spectroscopy.