Michal Platkevič
Art
Science & Engineering
Cestování
Záliby
Divadlo
Knihovna
Kocouři
Projekty a experimenty
Hardware & Software
Služebky a konference
Publikace
Projekty a experimenty
Hardware & Software
Služebky a konference
Všemožná udělátka k všemožným účelům
Od součástek po mechaniku - navrhování schémat, kreslení tišťáků, osazování, bondování, krimpování, lepení, programování, oživování, vrtání, řezání, frézování, chlazení, stínění ...
Space Radiation Micro-Tracker
Timepix-based Space Radiation Micro-Tracker for the micro-satellite RISESAT
LAD motherboard
Interconnection motherboard making possible connection of 25 Timepix detectors to one FITPix readout interface.
X-ray source control interface
USB control interface for portable X-ray source Kevex PXS5-822SA
LED calibration device
Microprocessor controlled LED calibration device for Timepix detector
RUIN - Rapid Universal Interface
Interface for Medipix/Timepix pixel detectors
Optical galvanic separator
Galvanic separation module between Timepix detector and USB interface for suppression of the electromagnetic noise - based on optical fibers.
Galvanic separator
Galvanic separation module between Timepix detector and USB interface for suppression of the electromagnetic noise - based on ADuM1400 digital isolators.
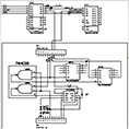
Single channel analyzer
Single channel analyzer for position sensitive activation analysis
USB switch for ATLAS-MPX
USB switch allowing controlling up to six USB powered devices (Medipix2/Timepix detector with USB1.0 interface) via USB protocol.
Stepper motor control unit
PCB designd for stepper motor control unit SMCU-7
Voltage levels convertor
Voltage levels convertor. LVDS <=> 3.3V <=> 5V
USB interface - Timepix extension
USB interface - Timepix extension
Různé
PID regulator, SMD to DIL modules, EMI shielding ...
Super mega konzole
Cyberpunková postapokaliptická super mega konzole