Všemožná udělátka k všemožným účelům

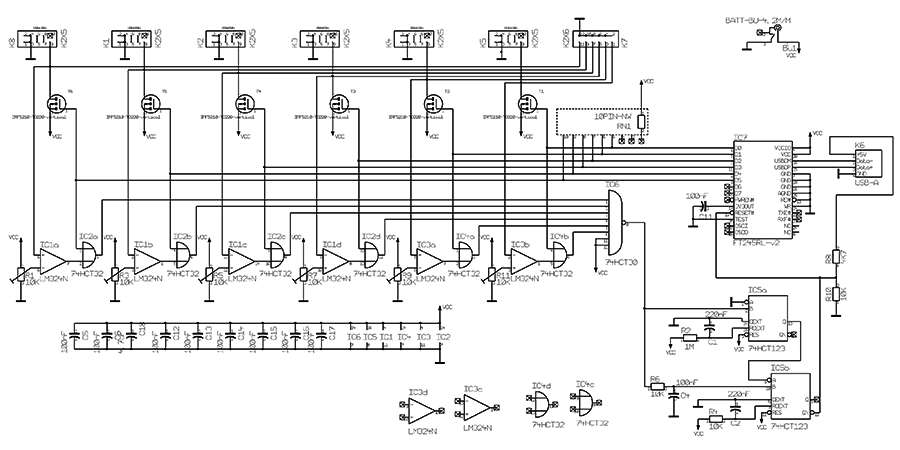
USB switch for ATLAS-MPX

USB switch allowing controlling up to six USB powered devices (Medipix2/Timepix detector with USB1.0 interface) via USB protocol.

PCB layout design / hand soldering / casing

moedal
moedal moedal moedal
moedal
moedal moedal
moedal moedal
moedal

Vývoj

Schematic design: Target3001

Experimenty

CERN, LHC, ATLAS-MPX/TPX
Network of 16 Medipix/Timepix-based detection units within the ATLAS experiment for radiation field monitoring and characterization.

CERN, LHC, MoEDAL
The Timepix Radiation Monitoring System in the MoEDAL experiment - Monopole and Exotics Detector at the LHC.